Home
About Us
Company Profile
Organizational
Development
Corporate Culture
Factory
Honors
Products
RJ45 with transformer
Normal RJ45 series
SFP Series
RJ11 series
HDMI Series
USB Series
CABLE Series
FPC Series
BTB Series
WTB Series
News
Company News
Industry News
Other News
Solutions
Technology
Service
Downloads
Material
Feedback
Job
Job Offers
Career Growth
Job dynamic
Tactics
Contact us
Contact
中文版
|
English
News:
Ecosystem Expands in Support of Emerging 2.5G and 5G Ethernet Standard
Published:
2015-05-20
Five Life
Published:
2015-05-27
Directions to the Hong Kong Electronics Fair Spring 2015
Published:
2015-05-27
GLGNET trademark warmly congratulated the direction the company was named "Guangdong Province"
Published:
2015-05-27
Products
RJ45 with transformer
Normal RJ45 series
SFP Series
RJ11 series
HDMI Series
USB Series
CABLE Series
FPC Series
BTB Series
WTB Series
New Products
Product Name:
1X4 SFP SHELL
Product Name:
2X4 SFP
Product Name:
5931-Q-S-K9-2x4-L-a-8C-G
Product Name:
JDA6TXXX
Product Name:
0.5PH EASY ON FPC
Product Name:
0.8PH HI-SPEED BTB RCPT.
Your present location:
Home
>>
Products
>>
SFP Series
>> 2x1 SFP-A
Product Details
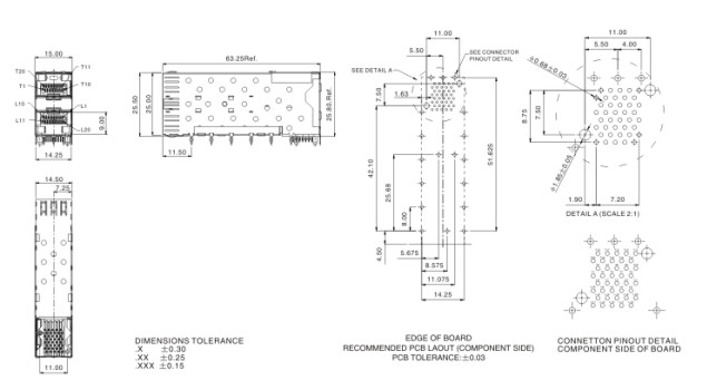
Product Name:
2x1 SFP-A
Product ID:
2x1 SFP-A
Added time:
2011-12-01
Product Name:
2x1 SFP-A
Details
Drawing
Downloads
Browse similar products
Previous Page :
20 PIN SFP CONN
Next :
2X1 SFP-B